一品楼黑龙江论坛
你好啊,接侍惠臨樂清市春虹微電子不斷大公司
挪動網站
|
接洽咱們
樂清市春虹網上無敵我司
泉源廠家, 撐持定制,知心折務,雙贏將來
天底下洽談電活:
0577-61316969
網站首頁
對于咱們
公司簡介
企業文明
公司一角
構造布局
品德保證
產物中間
帶燈輕觸開關系列
防水輕觸開關系列
通俗輕觸開關系列
自鎖開關系列
按鈕開關系列
船形開關系列
DC電源插座系列
消息中間
公司靜態
行業資訊
招賢納士
在線詢價
接洽咱們
{/pboot:nav}
2025长沙QM论坛:
2025长沙QM论坛:
2025长沙QM论坛:
熱門話題關頭詞:
帶燈輕觸開關系列
防水輕觸開關系列
通俗輕觸開關系列
自鎖開關系列
產物中間
帶燈輕觸開關系列
帶燈6x7.2系列
帶燈6x9系列
帶燈7x7系列
帶燈8x8系列
2025长沙QM论坛:帶燈12x12系列
防水輕觸開關系列
防水6x6系列
防水8x8系列
2025长沙QM论坛:防水10x10系列
2025长沙QM论坛:防水12x12系列
通俗輕觸開關系列
2025长沙QM论坛:4.5x4.5系列
6x6系列
12x12系列
別的
自鎖開關系列
按鈕開關系列
船形開關系列
DC電源插座系列
接洽咱們
樂清市春虹電子無限公司
征詢熱線:18968817571
公司德律風:0577-61316969
公司地點:浙江省樂清市虹橋鎮模具中間二區D棟
帶燈輕觸開關
選春虹
天下游戲洽談德律風:
0577-61316969
以后地位:
首頁
>>
產物中間
>>
DC電源插座系列
DC電源插座系列
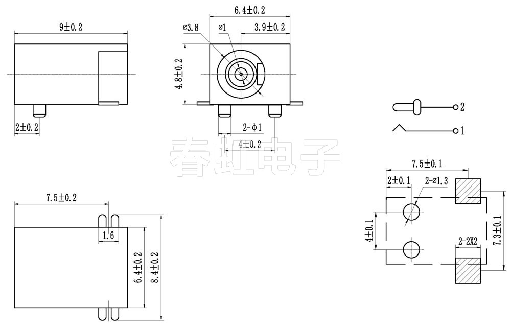
型號:DC08
天氣怎么樣等級: -25°C至75°C超額值: 30V DC,0.5A
打仗電阻: ≤0.05Ω
耐額定電壓: 500V AC
絕緣電阻: ≥100MΩ
政策措施力: 3N~14N平均壽命: 0.5W times鹽霧實驗室: 3±1 hours
產物概況
上一篇:
DC07
下一篇:
DC05
相干產物
DC01
DC02
DC03
2018-2022 © 樂清市春虹電子無限公司 地點:浙江省樂清市虹橋鎮模具中間二區D棟 德律風:0577-61316969 備案號:
創春虹名牌、爭先創優頂級的團隊、頂級個人品德、頂級企業主
0577-61316969